Disgrifiad Cynnyrch
Mae PCM Cable Co., Ltd yn wneuthurwr a chyflenwr blaenllaw o gysylltwyr a chynulliadau cebl Cyfres DEUTSCH DT o ansawdd uchel, sy'n cynnig atebion dibynadwy ar gyfer cymwysiadau modurol, diwydiannol ac amgylcheddol llym. Ar gael mewn plygiau a chynwysyddion safle 2, 3, 4, 6, 8 a 12 gydag ystod o hydoedd cebl safonol. Mae croeso i chi gysylltu â ni am hydoedd cebl wedi'u haddasu neu brisiau manwl trwy e-bost ynsales06@premier-cable.netneu WhatsApp yn+86 187 3891 2209.

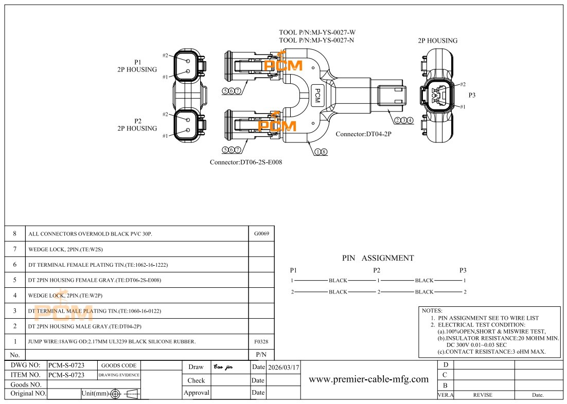
Mae'r Deutsch DT Series 2 Way Y Splitter Connector o PCM Cable wedi'i gyfarparu â chysylltwyr Deutsch DT gwreiddiol (cysylltwyr benywaidd 2 × DT06-2S a chysylltydd gwrywaidd 1 × DT04-2P), yn gwbl gydnaws â Amphenol AT Series Connectors.
Mae ei ddyluniad hollti Y yn galluogi dosbarthu signalau neu bŵer yn effeithlon o fewnbwn sengl i ddau ddyfais annibynnol neu gydrannau system, gan symleiddio gwifrau'n effeithiol a gwella effeithlonrwydd system gyffredinol, a ddefnyddir yn eang mewn cerbydau masnachol, peiriannau amaethyddol a cherbydau oddi ar y ffordd.
Manyleb
| Enw Brand | Cebl PCM |
| Tarddiad | tir mawr Tsieina |
| Rhan Rhif. | PCM-S-0723 |
| Math | Cysylltwyr Cyfres Deutsch DT |
| Enw Cynnyrch | Deutsch DT Series 2 Way Y Splitter Connector |
| Rhyngwyneb A | 1pcs x Deutsch DT Series DT04-2P (Gwryw) |
| Rhyngwyneb B | 2 pcs x Deutsch DT Series DT06-2S (Benyw) |
| Nifer y Pinnau | 2 Pin |
| Graddfa IP | IP69K |
| Foltedd Cyfradd | 230V |
| Cyfredol Gweithredol | 11A |
| Deunydd Tai | PA |
| Mecanwaith Cloi | Snap{0}}Cloi |
| Amrediad Tymheredd | -20 gradd i +80 gradd |
Nodweddion Allweddol
- Dyluniad Llorweddol 2-Ffordd Y (cyfluniad 1-i-2), gan alluogi dosbarthiad pŵer neu signal effeithlon i ddyfeisiau lluosog.
- Amddiffyniad gwrth-ddŵr a gwrth-lwch IP69, sy'n ddelfrydol ar gyfer ceisiadau modurol a diwydiannol heriol.
- Cysylltwyr Cyfres Deutsch DT gwreiddiol (DT04-2P & DT06-2S), gan sicrhau perfformiad dibynadwy, gwydnwch, a chydnawsedd o safon diwydiant.
- 100% yn gydnaws â Amphenol AT Series Connectors, gan ddarparu integreiddio hyblyg mewn systemau modurol presennol.
- System gloi clo snap sefydlog, gan sicrhau cysylltiad diogel a dibynadwy gyda gwrthiant cryf i ddirgryniad a datgysylltu damweiniol.


Arlunio

Tagiau poblogaidd: Deutsch DT Cyfres 2 Ffordd Y Holltwr Connector, Tsieina Deutsch DT Cyfres 2 Ffordd Y Llorweddol Connector gweithgynhyrchwyr, cyflenwyr, ffatri
